2024-07-03
3577
Ì«Ñô³É¼¯ÍÅ61999(Öйú)¡¤ÓÐÏÞ¹«Ë¾ Í¿±ØÎÄ
¡¾ÕªÒª¡¿´Ó´«¸ÐÆ÷ÔÀí£¬£¬£¬£¬£¬£¬´«¸ÐÆ÷Ó¦Ó㬣¬£¬£¬£¬£¬ÏÖʵ¼ì²âÊý¾ÝÈý·½Ã棬£¬£¬£¬£¬£¬Ç³ÎöʯӢ¾§Ìåʽ³ÆÖØ´«¸ÐÆ÷ÊÇ·ñÊÊÓÃÏÖÐгÆÖØ´«¸ÐÆ÷Èä±ä²âÊÔÖ¸±ê¡£¡£¡£¡£¡£
¡¾Òªº¦´Ê¡¿Ê¯Ó¢¾§Ìå´«¸ÐÆ÷£»£»£»£»£»£»£»¶¯Ì¬³ÆÖØ£»£»£»£»£»£»£»Èä±äÐÔÄܼì²â
¡¾Ãû´ÊÚ¹ÊÍ¡¿
l ¶¯Ì¬³ÆÖØ£ºÍ¨¹ýÕÉÁ¿ºÍÆÊÎöÂÖÌ¥¶¯Ì¬Á¦²âËãÒ»Á¾Ô˶¯ÖеijµÁ¾µÄ×ÜÖØºÍ²¿·ÖÖØÁ¿µÄÀú³Ì¡£¡£¡£¡£¡£
l ¾Ö²¿³ÆÖØ:²»ÍêÈ«³ÐÔØÔØºÉµÄËùÓÐÁ¦£¬£¬£¬£¬£¬£¬Í¨¹ýÅÌËã»ñÈ¡ÔØºÉÖØÁ¿µÄ·½·¨¡£¡£¡£¡£¡£
l »úµçñîºÏϵÊý£ºÑ¹µçÌåͨ¹ýѹµçЧӦת»¯µÄÄÜÁ¿¶ÔÊäÈëÓÚѹµçÌåµÄ×ÜÄÜÁ¿µÄ±ÈÖµ£¬£¬£¬£¬£¬£¬±ê¼ÇѹµçÌ彫»úеÄÜÓëµçÄÜÏ໥ת»»Ê±µÄЧÂÊ¡£¡£¡£¡£¡£
l Èä±ä£ºÔÚÔØºÉÎȹ̣¬£¬£¬£¬£¬£¬ËùÓÐÇéÐÎºÍÆäËû±äÁ¿Ò²¼á³ÖÎȹ̵ÄÌõ¼þÏ£¬£¬£¬£¬£¬£¬³ÆÖØ´«¸ÐÆ÷Êä³öËæÊ±¼ä±¬·¢µÄת±ä¡£¡£¡£¡£¡£
СÐò
Ëæ×ÅÔËÊ乤ҵÉú²ú¼°´«¸ÐÆ÷ÊÖÒÕµÄÒ»Ö±Éú³¤£¬£¬£¬£¬£¬£¬³ÆÖØ´«¸ÐÆ÷²úÆ·ÈÕÒæ¸»ºñ£¬£¬£¬£¬£¬£¬²¢ÔÚ¼ÆÁ¿ÏµÍ³ÄÚһֱʩչÆäÓÅÊÆºÍ×÷Ó㬣¬£¬£¬£¬£¬×ÜÌå·ÖΪÁ½¸ÅÂÔϵ£ºÓ¦±äʽºÍѹµçʽ¡£¡£¡£¡£¡£¹ØÓÚÓ¦±äʽ³ÆÖØ×°±¸À´ËµÈä±äÊÇÓɵ¯ÐÔÌ屬·¢µÄÕýÈä±äºÍÓ¦±äƬ£¬£¬£¬£¬£¬£¬Ó¦±ä½º±¬·¢µÄ¸ºÈä±ä×ÛºÏÓ°Ïì¶øÐγɡ£¡£¡£¡£¡£Æ¾Ö¤ÏÖÐгÆÖØ´«¸ÐÆ÷¹ú¼Ò±ê×¼GB/T7551Èä±äÊÇÅжÏÈ«ÔØºÉ¾²Ì¬´«¸ÐÆ÷Ò»¶Îʱ¼äÄÚ£¨Ò»Ñùƽ³£Îª30·ÖÖÓ£©ÎȹÌÐԺ;«¶ÈµÄÖ÷ÒªÖ¸±ê¡£¡£¡£¡£¡£Ê¯Ó¢¾§Ì峯֨´«¸ÐÆ÷×÷ΪһÖÖÒÔ¾Ö²¿³ÆÖØ£¬£¬£¬£¬£¬£¬¶¯Ì¬³ÆÖØÎªÓ¦Óó¡¾°µÄѹµçʽ´«¸ÐÆ÷£»£»£»£»£»£»£»±¾ÎÄdz´Ó´«¸ÐÆ÷ÔÀí£¬£¬£¬£¬£¬£¬´«¸ÐÆ÷Ó¦Ó㬣¬£¬£¬£¬£¬ÏÖʵ¼ì²âÊý¾ÝÈý·½Ã棬£¬£¬£¬£¬£¬ÆÊÎöÒÔʯӢ¾§Ìåʽ³ÆÖØ´«¸ÐÆ÷ÊÇ·ñÊÊÓÃÏÖÐгÆÖØ´«¸ÐÆ÷Èä±ä²âÊÔÖ¸±ê¡£¡£¡£¡£¡£
Èä±ä±¬·¢µÄÔµ¹ÊÔÓÉ
¹Å°åÓ¦±äʽ´«¸ÐÆ÷µÄ»ù´¡ÔÀíÊǽ«Ó¦±äÕ¤¼Æ£¨Ò»Ñùƽ³£Ñ¡Ôñ¿µÍºÏ½ð£©Õ³ÌùÔÚµ¯ÐÔÌ壨һÑùƽ³£½ÓÄɺϽð¸Ö»ò²»Ðâ¸Ö£©£¬£¬£¬£¬£¬£¬Æ¾Ö¤Öùʽ»òÇÅʽ½á¹¹Í¨¹ý¼ì²âÊÜÁ¦Ôì³ÉµÄÐα䣬£¬£¬£¬£¬£¬½ø¶øÒýÆðÓ¦±äƬ×èֵת±ä¡£¡£¡£¡£¡£±¬·¢Èä±äµÄÖ÷ÒªÔÓÉÓÚ1.µ¯ÐÔÌåÒòÖÊÁÏÄÚÓ¦Á¦´øÀ´µÄÖ͵¯Ð§Ó¦2.Ãô¸ÐÓ¦±äÕ¤¼ÆÖÊÁÏ×÷ΪһÖÖ±¡Ä¤µç×èÕ¤×Ô¼º±£´æÏìÓ¦µÄÈä±äÌØÕ÷3.Õ³ÌùÓ¦±ä½ºÖÊÁϺÍÉú²ú¹¤ÒÕÔì³ÉµÄÈä±ä£¬£¬£¬£¬£¬£¬ÏÖʵ²âÊÔÏÔʾѡÓóÉÐͱ¡Ä¤×÷Ϊ»ùµ×µÄÓ¦±ä¼Æ»ùµ×ÿ±¡ 2¦Ìm£¬£¬£¬£¬£¬£¬Èä±äԼĪÍù¸ºÏòת±ä 0.02%£¬£¬£¬£¬£¬£¬¸Ç²ãºñ¶È±¡ 5¦Ìm~10¦Ìm£¬£¬£¬£¬£¬£¬Èä±äԼĪÍù¸ºÏòת±ä0.02%¡£¡£¡£¡£¡£Òò´Ë¹ØÓÚÓ¦±äʽ´«¸ÐÆ÷À´ËµÆäÈä±äÌØÕ÷ÊÇÖ±½ÓÅжϴ«¸ÐÆ÷ÐÔÄÜÓÅÁӵĽ¹µã²ÎÊý£¬£¬£¬£¬£¬£¬Í¬Ê±Ò²ÊÇÌ«Ñô³É¼¯ÍÅ61999(Öйú)¡¤ÓÐÏÞ¹«Ë¾´«¸ÐÆ÷ÐÔÄܵĽ¹µã²âÊÔÖ¸±ê¡£¡£¡£¡£¡£
ʯӢ¾§Ì峯֨´«¸ÐÆ÷ÔÀíÆÊÎö

ͼ1
ʯӢ¾§Ì峯֨´«¸ÐÆ÷ÊÇÒÔʯӢ¾§ÌåΪÃô¸ÐÔª¼þµÄ¶¯Ì¬³ÆÖØ´«¸ÐÆ÷£¬£¬£¬£¬£¬£¬½á¹¹Èçͼ1Ëùʾ½«¾§Ìå°´Ò»¶¨Æ«ÏòÇиî³ÉƬ״£¬£¬£¬£¬£¬£¬°´Ò»¶¨¹æÔò×°ÅäÔÚÂÁºÏ½ð»ù²ÄÄÚÇ»À£¬£¬£¬£¬£¬Á½²àÓÃÈáÐÔÌî³äÖÊÁϰü¹ü£¬£¬£¬£¬£¬£¬µ×¶ËÀο¿ÒÀÀµÉÏÍâò³ÐÔØ²ã¼ì²â´«µ¼Ñ¹Á¦¡£¡£¡£¡£¡£Á¦ÊÇÖ±½Óͨ¹ý¹¤ÐοÕÇ»ÐͲĴ«µ¼µ½Ê¯Ó¢¾§ÌåÍâò¡£¡£¡£¡£¡£Æä´ÎʯӢ¾§ÌåÍâòӲ¶È¿É¸ß´ïĪÊÏÓ²¶È7.5£¬£¬£¬£¬£¬£¬ÊÇ×ÔÈ»½çÖÐÓ²¶È½ö´ÎÓÚ×êʯµÄ¾§Ìå²ÄÖÊ£¬£¬£¬£¬£¬£¬Í¨¹ý¾Ö²¿¼ì²âºóÔì³ÉµÄ¾§ÌåÐαäÏÕЩΪ0£¬£¬£¬£¬£¬£¬²»±£´æÖ͵¯Ð§Ó¦¡£¡£¡£¡£¡£ÁíÍâ³ÆÖØÊ¹ÓõÄÊÇÆäѹµçЧӦ£º¾§ÌåÊܵ½Àο¿Æ«ÏòµÄÁ¦µÄ×÷ÓÃʱ£¬£¬£¬£¬£¬£¬Íâò¼´±¬·¢ÓëÁ¦³ÊÏßÐÔ±ÈÀýµÄµçºÉ¡£¡£¡£¡£¡££¬£¬£¬£¬£¬£¬²»ÒÀÀµÓÚ¼ì²âÐαäÁ¿¾ÙÐмì²â¡£¡£¡£¡£¡£µ±ÂÁºÏ½ð»ù²ÄÉÏÏÂÍâòÊܵ½Ñ¹Á¦Ê±£¬£¬£¬£¬£¬£¬Á¦´«µ¼µ½Ê¯Ó¢¾§Ì壬£¬£¬£¬£¬£¬ÍøÂçÔÚʯӢ¾§ÌåÉÏÏÂÍâò±¬·¢¾ÞϸÏàµÈ¡¢Æ«ÏòÏà·´£¬£¬£¬£¬£¬£¬ÓëÊÜÁ¦³ÊÏßÐԵĵçºÉ¡£¡£¡£¡£¡£´¿´â´Ó´«¸ÐÆ÷½Ç¶ÈÀ´Ëµ£¬£¬£¬£¬£¬£¬±¬·¢µÄµçºÉÁ¿QÓëËùÓÐѹÁ¦F³Ê±ÈÀýÏßÐÔ¡£¡£¡£¡£¡£Òò´ËʯӢ¾§Ì峯֨´«¸ÐÆ÷´ÓÔÀíÉÏÀ´Ëµ²¢²»»á±¬·¢´ó·ù¶ÈÈä±ä¡£¡£¡£¡£¡£
ʵÑéÊý¾ÝÆÊÎö
ʵÑéÌõ¼þ£ºÄ¥Á·¼°¸ñµÄʯӢ¾§Ìå´«¸ÐÆ÷£¬£¬£¬£¬£¬£¬µçºÉ·Å´óÆ÷£¬£¬£¬£¬£¬£¬Á¦±ê×¼»ú£»£»£»£»£»£»£»ÊµÑé°ì·¨£ºÖÃÁãºó£¬£¬£¬£¬£¬£¬ÔÚ´«¸ÐÆ÷ÖÐÐÄλÖÃÊ©¼Ó90%Emax~100%Emax = 20kNµÄÁ¦£¬£¬£¬£¬£¬£¬¼ÓÔØÊ±¼ä200s£¬£¬£¬£¬£¬£¬Ã¿20s¼Í¼һ´Î·Å´óÆ÷Êä³öʾֵ¡£¡£¡£¡£¡£

´«¸ÐÆ÷ÐͺŠ| HL-S-QZ70 |
µçºÉ·Å´óÆ÷ÐͺŠ| HL-A-CH08 |
´«¸ÐÆ÷±àºÅ | 202212055 |
´«¸ÐÆ÷ÄÚ×èÖµ | £¾100G¦¸ |
·Å´óÆ÷ÊäÈëÄÚ×è | £¾10G¦¸ |
´«¸ÐÆ÷³¤¶È | 1750mm |
²âÊÔÇéÐÎÎÂ¶È | 12.3¡æ |
²âÊÔÇéÐÎʪ¶È | 38% |
ÔÚÒÔÉϲâÊÔÌõ¼þÏ£¬£¬£¬£¬£¬£¬Ê¹Óñê×¼Á¦Ñ¹Á¦»úÔÚʯӢ´«¸ÐÆ÷ÖÐÐÄλÖÃÊ©¼Ó20kNµÄÁ¦²¢¼á³Öºã¶¨£¬£¬£¬£¬£¬£¬Ã¿20s¼Í¼һ´ÎµçºÉ·Å´óÆ÷Êä³öʾֵ£¬£¬£¬£¬£¬£¬²¢»æÖÆÌØÕ÷ÇúÏß.
ʱ¼ä ÔØºÉÖµ | 0s | 20s | 40s | 60s | 80s | 100s | 120s | 140s | 160s | 180s | 200s |
2kN | 7.47v | 7.37v | 7.12 v | 6.92 v | 6.72 v | 6.53 v | 6.33 v | 6.15 v | 5.95 v | 5.78 v | 5.64 v |
ʯӢ´«¸ÐÆ÷¶Ìʱ¼äµÄÈä±äÌØÕ÷ÇúÏߣº

ͨ¹ýÈä±äÇúÏß¿ÉÒÔ¿´³ö£¬£¬£¬£¬£¬£¬¸ß×迹µÄÊäÈëµç×è²¢²»¿ÉÍêÈ«×èÖ¹µçºÉµÄй¶£¬£¬£¬£¬£¬£¬Òò´ËÊä³öÐźÅÔÚ±ê×¼Á¦Îȹ̵ÄÇéÐÎÏÂÒÔÔ¼0.7%/10sµÄËÙÂÊÒ»Ö±ïÔÌ£¬£¬£¬£¬£¬£¬3·ÖÖÓÄÚïÔÌÖÁ±ê×¼Êä³öÖµµÄ87%¡£¡£¡£¡£¡£Ô¶³¬ÏÖÐгÆÖØ´«¸ÐÆ÷¹ú¼Ò±ê×¼ÖС°Ê״ζÁÊýÓëØÊºó30minÄڼͼµÄÈÎÒ»¶ÁÊýÖ»²î£¬£¬£¬£¬£¬£¬Ó¦²»´óÓÚËù¼ÓÔØºÉ×î´óÔÊÐíÎó²î¾ø ¶ÔÖµµÄ0.7±¶¡±ÕâÒ»±ê×¼¡£¡£¡£¡£¡£
Îó²îÔµ¹ÊÔÓÉ
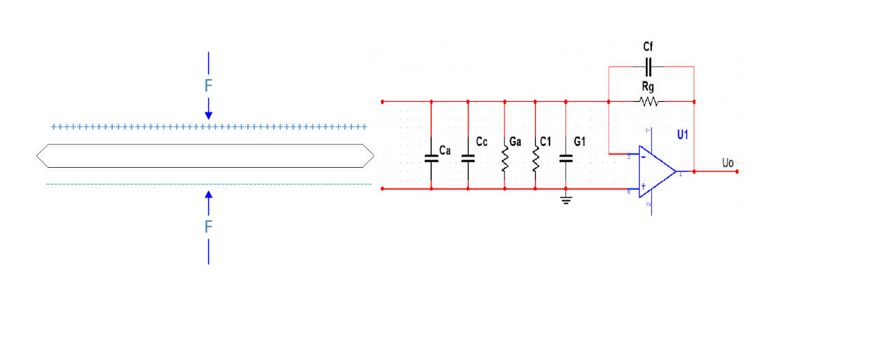
¼ÈȻʯӢ¾§Ì峯֨´«¸ÐÆ÷×Ô¼º²»±£´æÈä±äµÄÌØÕ÷ΪʲôÏÖʵ²âÊÔЧ¹ûÔÆÔÆ²îÄØ¡£¡£¡£¡£¡£ÏÖÔÚÊÖÒÕÉϲ¢Ã»ÓпÉÒÔÎȹ̼ì²âϸС¾²Ì¬µçºÉÁ¿µÄר Òµ×°±¸£¬£¬£¬£¬£¬£¬ÔÚ²âÊÔʱһÑùƽ³£µÄ»áʹÓÃרʯӢ¾§Ìå³ÐÔØ-ÐźÅ×éºÏģʽ¾ÙÐвâÊÔ½«µçºÉÁ¿×ª»»ÎªµçѹUoÐźŲ¢·Å´óÊä³ö¼ì²â¡£¡£¡£¡£¡£

ÈçÉÏͼËùʾ£ºÑ¹µç¾§ÌåÊܵ½Ñ¹Á¦×÷Óñ¬·¢µçºÉQ£»£»£»£»£»£»£»Ca ÊÇ´«¸ÐÆ÷¼¶¼äµçÈÝ£¬£¬£¬£¬£¬£¬Qa ÊÇ´Ëʱ³äµ½Ca ÖеĵçºÉ£»£»£»£»£»£»£»Cc ÊÇ´«¸ÐÆ÷´«ÊäµçÀµĵçÈÝ£¬£¬£¬£¬£¬£¬QcÊÇ´Ëʱ³äµ½Cc ÖеĵçºÉ£¬£¬£¬£¬£¬£¬Gc ÊÇÊäÈëµçÀÂйµçµ¼£»£»£»£»£»£»£»CiÊǵçºÉ·Å´óÆ÷µÄÊäÈëµçÈÝ£¬£¬£¬£¬£¬£¬Q1 ÊÇ´Ëʱ³äµ½C1 ÖеĵçºÉ£¬£¬£¬£¬£¬£¬G1 ÊÇ·Å´óÆ÷µÄÊäÈëµçµ¼£»£»£»£»£»£»£»Ud ÊÇ´ËʱÔÚÔËËã·Å´óÆ÷·´ÏàÊäÈë¶ËÉϱ¬·¢µÄ²î¶¯µçѹ£»£»£»£»£»£»£»Cf ÊǵçºÉ·Å´óÆ÷µÄ·´ÏìµçÈÝ£¬£¬£¬£¬£¬£¬×÷Óõ½Cf Á½Í·µÄµçѹÊÇUd ºÍÊä³öµçѹUo µÄ²îÖµ£¬£¬£¬£¬£¬£¬Qf ÊÇ´Ëʱ³äÈëCf µÄµçºÉ£¬£¬£¬£¬£¬£¬Rg ÊÇ·Å´óÆ÷µÄ·´Ïìµçµ¼£»£»£»£»£»£»£»ÔËËã·Å´óÆ÷µÄ¿ª»·ÏµÊýΪA£¬£¬£¬£¬£¬£¬ÓÉÓÚµçѹÊÇ·´ÏòÊäÈ룬£¬£¬£¬£¬£¬ÒÔÊÇ£º Uo=-A¡ÁUd.
¡¡¡¡Òò´Ë×÷ÓÃÔÚCf Á½Í·µÄµçѹΪ£º
Ucf=Ud-£¨-A¡ÁUd£©=Ud¡Á£¨1+A£©
¼ÙÉè·´Ïìµç×èRgµÄ×èֵΪÎÞÏÞ´óʱ£º
Q=Qa+Qc+Q1+Qf=Ud¡Á£¨Ca+Cc+C1+£¨1+A£©Cf£©
ÒÔÊÇ
Ud=Q/(Ca+Cc+C1+(1+A)Cf);
Uo=£¨-A*Q£©/£¨Ca+Cc+C1+(1+A)Cf£©;
ÔÚ¡À0.5%¾«¶ÈµÄ¹æÄ£ÄÚ¿ÉÒÔºöÂÔ²¿·ÖÊýÄ¿¼¶Ð¡µÄ²¿·Ö£¬£¬£¬£¬£¬£¬¿ÉÒÔÒÔΪ£º
Uo = -Q/Cf;¼´Êä³öµçѹÓëµçºÉ³ÊÏßÐÔ¹ØÏµ£»£»£»£»£»£»£»
ÔÚÏÖʵװ±¸ÖÐÆñÂÛÊÇÊäÈëµçÀÂйµçµ¼Gc£¬£¬£¬£¬£¬£¬·Å´óÆ÷µÄÊäÈëµçµ¼G1ÒÔ¼°·´Ïìµç×èRg²¢²»¿É×öµ½ÍêÈ«¾øÔµ£¬£¬£¬£¬£¬£¬²¢ÇÒΪ°ü¹ÜÁãµã·ÇÒ»Á¬Æ¯ÒƱØÐè±£´æ·´Ïìµç×è¡£¡£¡£¡£¡£Òò´ËÏÖʵһÁ¬Ê©¼ÓÎȹÌÔØºÉ£¬£¬£¬£¬£¬£¬ÔçÏȵçѹUoÓ뱬·¢µçºÉQÓëÊ©¼ÓµÄÁ¦F³Ì±ÈÀýÊä³ö£¬£¬£¬£¬£¬£¬µ«µçºÉÔÚйµçÁ÷×÷ÓÃÏÂһֱй·Å£¬£¬£¬£¬£¬£¬Êä³öµçѹ½«³ÊÖð½¥Ï½µÇ÷ÊÆ¡£¡£¡£¡£¡£ÒÔ·´Ïìµç×裾10GÅÌË㣬£¬£¬£¬£¬£¬Ð¹·Åʱ¼ä³£Êý¦Ó=RC¡Ö220s£¬£¬£¬£¬£¬£¬ÓëÏÖʵ²âÊÔЧ¹ûÏà¶ÔÓ¦¡£¡£¡£¡£¡£Òò´Ë²âÊÔЧ¹ûµÄÈä±äÊä³öÎó²îÊÇÓÉÓÚµçºÉ·Å´óÆ÷µç·Ôì³ÉµÄ£¬£¬£¬£¬£¬£¬²¢ÇÒÊDz»¿É×èÖ¹µÄ¡£¡£¡£¡£¡£
Ó¦Óó¡¾°ÆÊÎö
Èç´«¸ÐÆ÷×°Öýṹ¸©ÊÓͼËùʾ£¬£¬£¬£¬£¬£¬½ÓÄÉÕûÌõ¶àÅŽṹ·½·¨£¬£¬£¬£¬£¬£¬¼´Ïàͬ¾àÀëµÄ¶à¸ù´«¸ÐÆ÷ÅäºÏ¼ì²â£¬£¬£¬£¬£¬£¬×ÝÈ»³µÂÖ³¤Ê±¼ä×èÖ¹µ½¼òµ¥´«¸ÐÆ÷ÕýÉÏ·½Ê©¼ÓÒ»Á¬Ôغɣ¬£¬£¬£¬£¬£¬ÆäÓà¶àÅÅ´«¸ÐÆ÷ÈÔÄÜÕý³£Êä³ö£¬£¬£¬£¬£¬£¬°ü¹Ü³ÆÖØÐ§¹ûÎȹÌÐÔ¡£¡£¡£¡£¡£Æä´Î£¬£¬£¬£¬£¬£¬Ê¯Ó¢Ê½³ÆÖØ´«¸ÐÆ÷Ó¦ÓÃÓÚ¶¯Ì¬Æû³µºâÊÊÓÃËÙÂʹæÄ£Ò»Ñùƽ³£Îª0.5~100km/h¡£¡£¡£¡£¡£ÒÔ»õ³µ½Ï´ó³ß´çÂÖÌ¥8.25R20 XR850ΪÀý£¬£¬£¬£¬£¬£¬Âú¸ººÉµ¥¸öÂÖÌ¥µÄ´¥µØ¿í¶ÈLԼΪ60cm£¬£¬£¬£¬£¬£¬ÒÔ¼ì²âËÙÂÊvmin = 0.5km/h = 13.9cm/sͨ¹ýÒ»¸ù¿í¶ÈΪ5.5cmµÄ´«¸ÐÆ÷ʱ£¬£¬£¬£¬£¬£¬´«¸ÐÆ÷×î´óÊÜÁ¦Ê±¼ät=L/vmin=4.3s¡£¡£¡£¡£¡£Òò´Ë´ÓÓ¦ÓýǶÈ˼Á¿Èä±äÐÔÄÜʯӢ¾§Ì峯֨´«¸ÐÆ÷Ó¦ÓÃЧ¹û²¢ÎÞÓ°Ïì¡£¡£¡£¡£¡£
´«¸ÐÆ÷×°Öýṹ¸©ÊÓͼ
´«¸ÐÆ÷×°ÖýṹÆÊÊÓͼ
½áÂÛ
ʯӢ¾§Ì峯֨´«¸ÐÆ÷ÓÉÓÚÆäÎÞÈÈÊ͵çЧӦ£¬£¬£¬£¬£¬£¬¹ÌÓÐÆµÂʸߣ¬£¬£¬£¬£¬£¬¶¯Ì¬¹æÄ£¹ã£¬£¬£¬£¬£¬£¬Öظ´¾«¶È¸ß£¬£¬£¬£¬£¬£¬ÖͺóС£¬£¬£¬£¬£¬£¬ÊÙÃü³¤£¬£¬£¬£¬£¬£¬Ãâά»¤µÄÌØÕ÷£¬£¬£¬£¬£¬£¬ÆÕ±éÓ¦ÓÃÓÚ¸÷»õÔ˳µÁ¾¶¯Ì¬³ÆÖؼƻ®ÖУ¬£¬£¬£¬£¬£¬²¢ÊÕ»ñÊг¡µÄÆÕ±éÈÏͬ¡£¡£¡£¡£¡£µ«´Óѹµçʽ³ÆÖØ´«¸ÐÆ÷ÔÀíÀ´ËµµçºÉµÄÕý¸ºÏàÎüºÍ»îÔ¾ÌØÕ÷£¬£¬£¬£¬£¬£¬¾öÒéÁËÎÞ·¨ÎÞËðºã¾ÃÎȹ̵ļì²â¾²Ì¬µçºÉ£¬£¬£¬£¬£¬£¬¶ø×ª»»Ò»¶¨´øÀ´ÏûºÄ£»£»£»£»£»£»£»´Óʵ²âÊý¾ÝÒ²Åú×¢20sÒÔÉÏʯӢ¾§Ìå³ÐÔØ-ÐźÅ×éºÏÄ£¿£¿£¿£¿£¿£¿£¿éµÄÌØÕ÷ÎÞ·¨Öª×ãÏÖÐÐGB/T 7551±ê×¼Èä±äÎó²îÒªÇ󣻣»£»£»£»£»£»´ÓÓ¦Óó¡¾°ÆÊÎö£¬£¬£¬£¬£¬£¬¶àÅŽṹµÄ¶¯Ì¬³ÆÖØÓ¦ÓÃÎÞÐè¶Ô´«¸ÐÆ÷³¤Ê±¼äÈä±äÐÔÄܾÙÐÐÒªÇ󣻣»£»£»£»£»£»×ÛÉÏËùÊö£¬£¬£¬£¬£¬£¬ÒÔΪʯӢ¾§Ì峯֨´«¸ÐÆ÷²¢²»ÊÊÓÃÓÚÏÖÐÐÈä±äÖ¸±ê²âÊÔ¡£¡£¡£¡£¡£Òò´Ë±ÊÕß½¨Òé²Î¿¼×î ÐÂÐÞ¶©µÄ¶¯Ì¬¹«Â·³µÁ¾×Ô¶¯ºâÆ÷¹ú¼Ò±ê×¼GB/T 21296.5-2020µÄµÚ5²¿·Ö£ºÊ¯Ó¢¾§Ìåʽ£¬£¬£¬£¬£¬£¬¹ØÓÚʯӢ¾§Ì峯֨´«¸ÐÆ÷ƾ֤ÆäÔÀíÌØÕ÷Õë¶ÔÐԵļì²âÆä·ÇÏßÐÔÎó²î£¬£¬£¬£¬£¬£¬Öظ´ÐÔÎó²î£¬£¬£¬£¬£¬£¬ºáÏòѸËÙ¶ÈÒ»ÖÂÐÔÎó²î£¬£¬£¬£¬£¬£¬¾øÔµ×迹ºÍ¹ýÔØÄÜÁ¦µÈ¡£¡£¡£¡£¡£